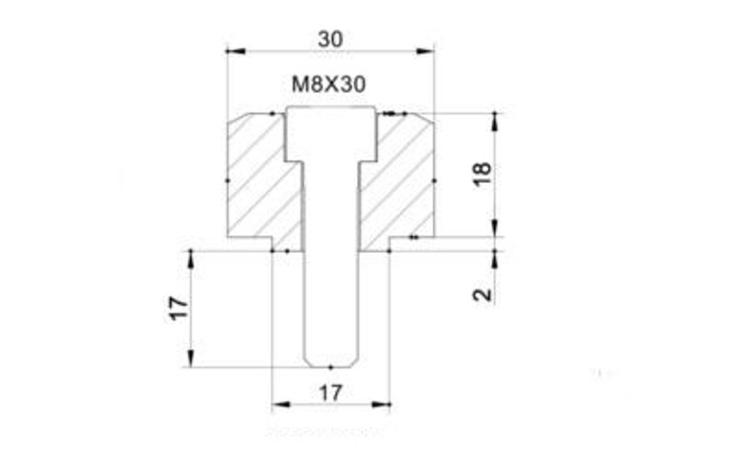
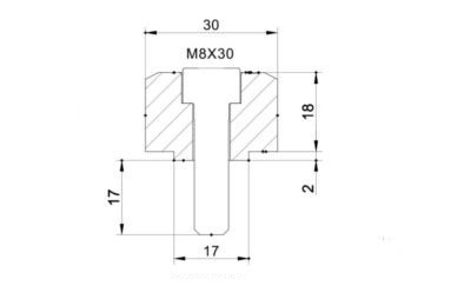
Náš kód: P102974

Zrkadlový adaptér PUIG ADAPTER REAR MIRROR HI-TECH IV BMW G310R C/BLACK 9850N čierna na koniec tyče

ADAPTER REAR MIRROR HI-TECH IV BMW G310R C/BLACK
12,00 € Vrátane DPH
9,76 € Bez DPH
Na objednávku
+ -
(ks)

Porovnať

Zaradené v kategóriách:     Zrkadlá PUIG

Zrkadlový adaptér PUIG ADAPTER REAR MIRROR HI-TECH IV BMW G310R C/BLACK 9850N čierna na koniec tyče
12,00 €
+ -
Náš kód: P102974
0 produktů k porovnání PorovnávanieZobraziť porovnanie